首頁
關于我(wǒ)們
産品展示(shi)
新聞資訊
公(gong)司新聞
行業(yè)新聞
信息公(gong)示
招賢納士(shì)
聯系我們
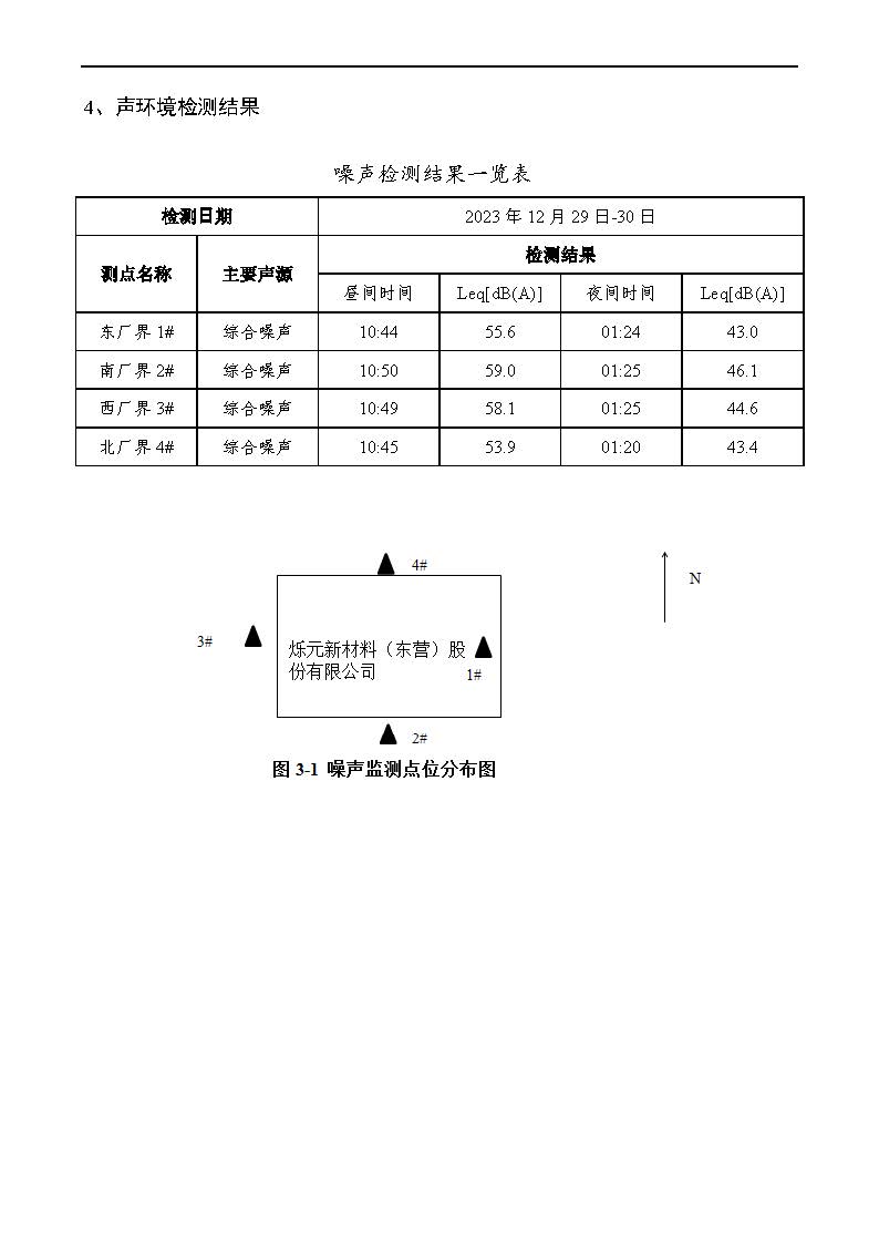
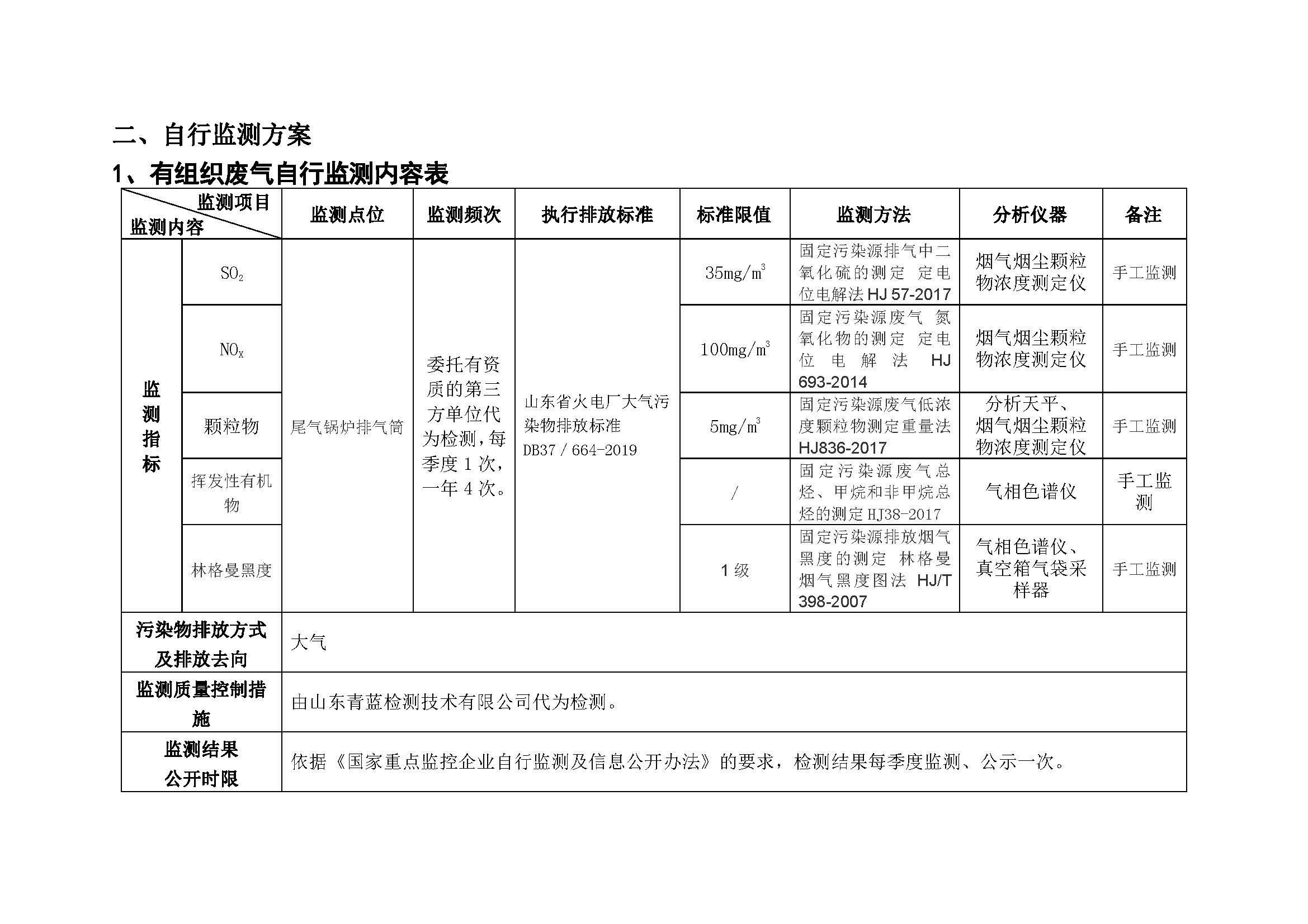
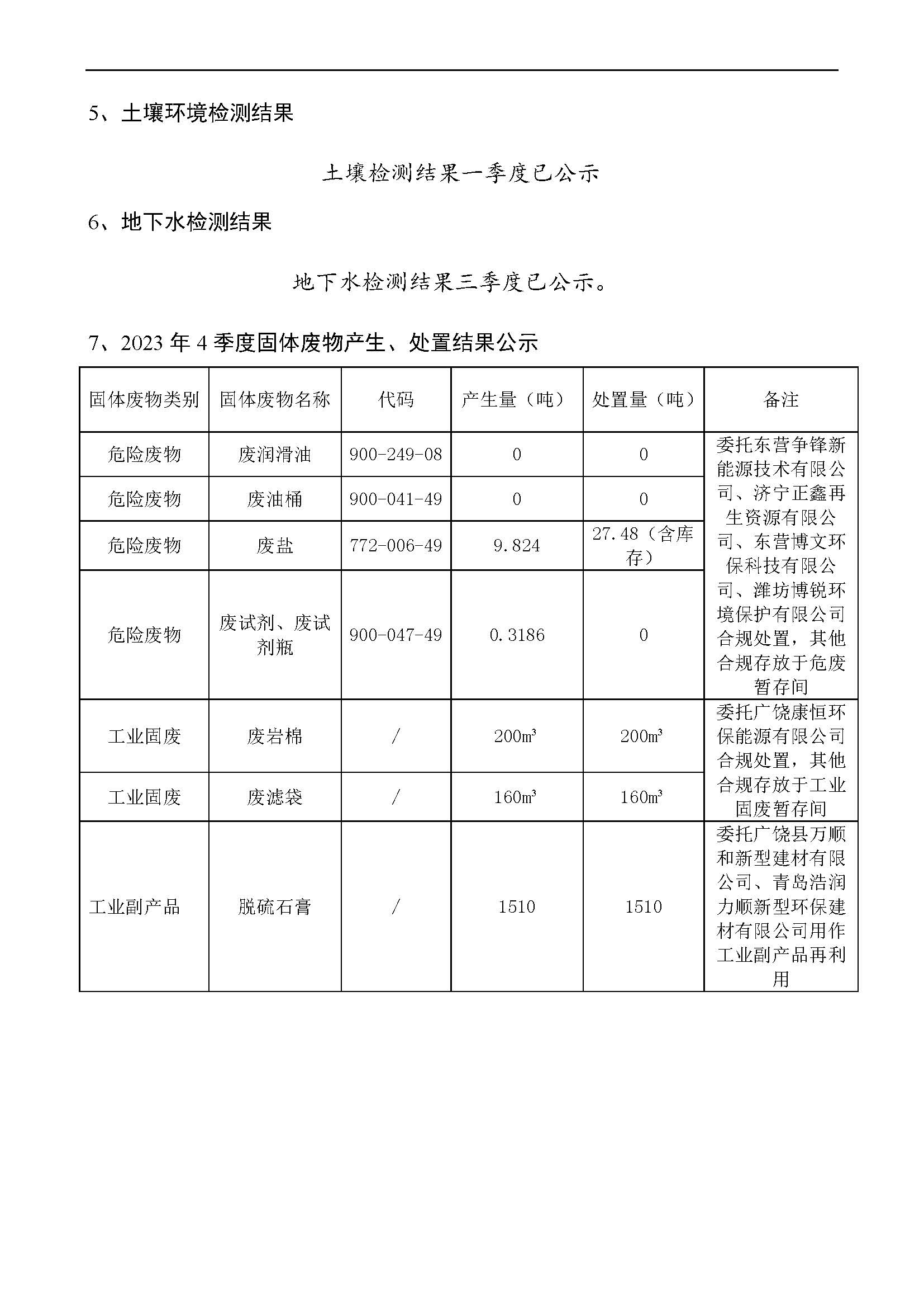
2023 年(nian)第 3 季度環境(jing)檢測信息公(gōng)示
2025-12-21
上一篇(pian):供應商節能(neng)減排信息披(pī)露
下一篇:石(shí)家庄义浩机(ji)械制造有限(xiàn)公司(H5网站)炭(tàn)黑反應爐後(hou)節能環保提(tí)升改造項目(mù)調🏃🏻♂️試公示
总 公 司
急 速(su) 版
WAP 站
H5 版
无线(xiàn)端
AI 智能
3G 站
4G 站(zhan)
5G 站
6G 站