首頁
關于我們
産(chǎn)品展示
新聞資訊(xùn)
公司新聞
行業新(xīn)聞
信息公示
招賢(xian)納士
聯系我們
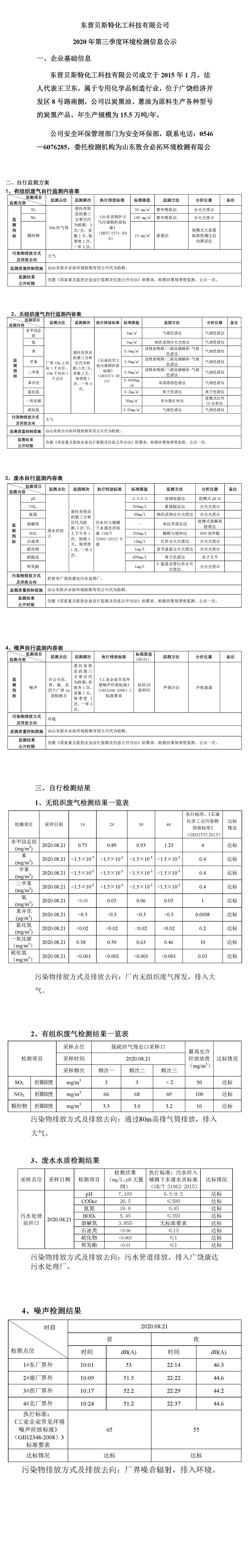
2020年(nian)第三季度環境公(gōng)示
2025-12-21
上一篇:土壤信(xin)息公示
下一篇:公(gōng)司年産2萬噸特種(zhong)工業炭黑項目環(huán)境影🐅響評價第🐕一(yī)次公示
总 公 司(sī)
急 速 版
WAP 站
H5 版
无线(xiàn)端
AI 智能
3G 站
4G 站
5G 站
6G 站(zhàn)